Potential Transformer PT
Однофазный трансформатор напряжения 13,8 кВ на подстанции
  • Однофазный трансформатор напряжения 13,8 кВ на подстанцииОднофазный трансформатор напряжения 13,8 кВ на подстанции

Однофазный трансформатор напряжения 13,8 кВ на подстанции

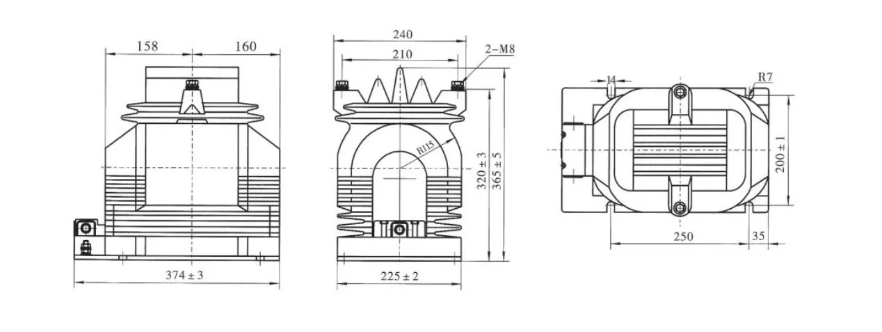
Для производства надежного однофазного трансформатора напряжения на подстанции компания Wenzhou XiFa Electric Power Equipment Co., Ltd использует электротехническую сталь премиум-класса CRGO в качестве основного материала сердечника для снижения потерь и повышения класса точности, а также высокопрочную эмалированную медную проволоку в качестве основного материала катушки для обеспечения соотношения витков и витковой изоляции посредством прецизионной намотки. Более того, каждый однофазный трансформатор напряжения на подстанции на 13,8 кВ использует процесс вакуумного литья из эпоксидной смолы, чтобы создать общую затвердевшую структуру, которая нелегко впитывает влагу и подходит для жарких, влажных и пыльных сред.

Особенности продукта:

Однофазный трансформатор напряжения 13,8 кВ на подстанции предназначен для понижения первичного напряжения 13,8 кВ до стандартного вторичного напряжения, например 100 или 110 вольт. Пониженное напряжение затем подается на параллельные обмотки для измерительных приборов и защитных реле, что позволяет выполнять измерения первичного напряжения косвенно с помощью приборов низкого напряжения. Такой подход упрощает конструкцию приборов, экономит средства и обеспечивает безопасность как оборудования, так и обслуживающего персонала.


Принцип работы однофазного трансформатора напряжения 13,8 кВ такой же, как и у силового распределительного трансформатора, коэффициент трансформации которого определяется количеством витков в первичной и вторичной обмотках. Увеличение количества витков вторичной обмотки снижает передаточное число, а увеличение количества витков первичной обмотки увеличивает его. Важно отметить, что ни при каких обстоятельствах вторичная цепь однофазного трансформатора напряжения 13,8 кВ не должна подвергаться короткому замыканию во время работы.

13 8 Kv Single Phase Potential Transformer In Substation

Техническая спецификация:

Тип Номинальный коэффициент напряжения (кВ) Класс точности Класс точности и номинальная мощность cosΦ=0,8 Макс. Выход (ВА)
0.2 0.5 1 6(П)
ДЖДЗ11-15 (15/√3)/(0,1/√3)/(0,1/3) 0,2/6П 0,5/6П 1/6П 30 80 150 100 400
ДЖДЗ11-20 (20/√3)/(0,1/√3)/(0,1/3)
ДЖДЗ11-15 (15/√3)/(0,1/√3)/(0,1/√3)/(0,1/3) 0,2/0,2/6П 0,2/0,5/6П 15 20 Н/Д 100 2*200
ДЖДЗС11-20 (20/√3)/(0,1/√3)/(0,1/√3)/(0,1/3)

13 8 Kv Single Phase Potential Transformer In Substation

Часто задаваемые вопросы о продукте:

Вопрос: Чем однофазный трансформатор напряжения 13,8 кВ отличается от силового трансформатора 13,8 кВ?

Ответ: Хотя оба устройства являются преобразователями напряжения, однофазный трансформатор напряжения 13,8 кВ предназначен для измерения и защиты, а не для передачи энергии. Его номинальная нагрузка относительно невелика и обычно выражается в ВА, тогда как силовые трансформаторы выдерживают нагрузки большей величины, которая измеряется в кВА или МВА.


Вопрос: Какие методы изоляции используются в однофазном трансформаторе напряжения 13,8 кВ?

А: Большинствотрансформаторы напряженияпри этом уровне напряжения используйте изоляцию из эпоксидной смолы для установки внутри помещений или корпуса из фарфора/силикона для установки на открытом воздухе. В некоторых конструкциях используется масляная изоляция для увеличения срока службы и более высокой теплоемкости.


Вопрос: Как подключить однофазный трансформатор напряжения 13,8 кВ на подстанции?

A: Для измерения фазы на землю первичная обмотка трансформатора тока подключается между одной фазой и землей. В трехфазной системе для измерения напряжения между линиями и между линиями и землей можно использовать набор однофазных трансформаторов напряжения или трехфазный блок трансформаторов напряжения.


Вопрос: Какие проблемы могут возникнуть при использовании однофазных трансформаторов напряжения 13,8 кВ на подстанциях?

О: Общие проблемы включают ухудшение изоляции, феррорезонанс при определенных условиях переключения, перегрев из-за перегрузки и разомкнутую вторичную цепь, что может привести к возникновению опасно высоких напряжений.



Горячие Теги: Однофазный трансформатор напряжения 13,8 кВ у поставщика подстанций, оптовая продажа трансформатора напряжения подстанции
Отправить запрос
Контакты
  • Адрес

    № 391, Jingqi Road, промышленная зона Янпань, город Юэцин, провинция Чжэцзян, Китай

  • Электронная почта

    info@xifaele.com

Чтобы получить ваше предложение как можно скорее

XiFa-ваш надежный поставщик электрооборудования
X
Мы используем файлы cookie, чтобы предложить вам лучший опыт просмотра, анализировать трафик сайта и персонализировать контент. Используя этот сайт, вы соглашаетесь на использование нами файлов cookie. политика конфиденциальности
Отклонять Принимать