Трансформатор тока ТТ
Тип раны 5p10 5p20 Ct 100 150 400 5а
  • Тип раны 5p10 5p20 Ct 100 150 400 5аТип раны 5p10 5p20 Ct 100 150 400 5а

Тип раны 5p10 5p20 Ct 100 150 400 5а

Для поставки высококачественных трансформаторов напряжения и трансформаторов тока компания Wenzhou XiFa Electric Power Equipment Co., Ltd поддерживает индивидуальные услуги для клиентов, таких как производство и поставка обмотки типа 5p10 5p20 ct 100 150 400 5a. В WenZhou XiFa electric производственная группа хранит запасы трансформаторов тока обычного типа, таких как трансформатор тока 100/5a 10p10 0,5, чтобы обеспечить быструю доставку. Тем не менее, компания поддерживает индивидуальные услуги для удовлетворения различных потребностей в электроэнергии, например, трансформаторы тока питания с классом защиты 5p10 или 5p20.

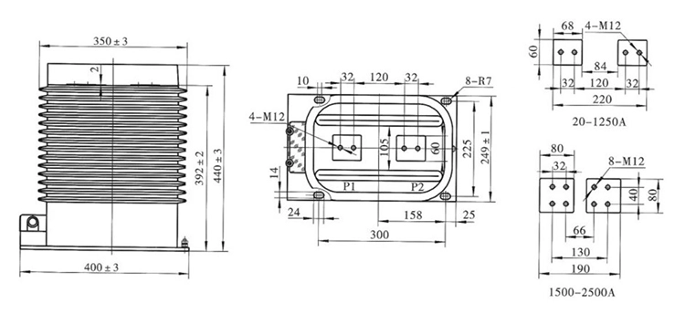
Трансформатор тока намотанного типа предназначен для надежного измерения тока и защиты в энергосистемах среднего напряжения, таких как 10 кВ, 20 кВ и 35 кВ. Доступные с коэффициентами тока 100/5А, 150/5А и 400/5А, а также с классами точности защиты 5P10 и 5P20, этот тип обмотки 5p10 5p20 ct 100 150 400 5a обеспечивает точный вторичный выходной ток, подходящий как для измерения, измерения, так и для защитных реле.

Трансформатор тока намотанного типа, изготовленный из твердых магнитных сердечников и вторичных катушек, обеспечивает стабильную работу в условиях короткого замыкания и обеспечивает точное преобразование тока даже во время переходных процессов. Его прочная система изоляции, часто с использованием эпоксидной смолы или высококачественной смолы, обеспечивает безопасность, длительный срок службы и устойчивость к влаге и воздействиям окружающей среды.

Конструкция намотанного типа обеспечивает гибкую установку в распределительных устройствах, панелях управления и распределительных щитах, обеспечивая надежную поддержку схем релейной защиты. Трансформатор тока намотанного типа идеально подходит для промышленных предприятий, коммерческих объектов и распределительных сетей, где точное и надежное измерение тока необходимо как для оперативного мониторинга, так и для защитного управления.

Wound Type 5p10 5p20 Ct 100 150 400 5a

Техническая спецификация:

Тип Первичный номинальный ток (А) Класс точности Класс точности и номинальная мощность cosΦ=0,8 Термический ток по короткому времени (кА/с) Номинальный динамический ток (кА)
0,2 (с) 0,5 (с) 10П10
LZZBJ9-35 20-100 0,2/0,2 0,2/0,5 0,2/5П20 0,5/5П20 0,2/0,5/5П 0,2/5П/5П 10 10 15 150И1н 375И1н
150-200 31.5 80
300-500 31,5/2 80
600-1250 15 30 20 31,5/4 80
1500-2000 20 40 30 40/4 125
2500 20 40 20 40/4 125


Тип Первичный номинальный ток (А) Класс точности Мощность (ВА) Термический ток по короткому времени (кА/с) Номинальный динамический ток (кА)
LZZBJ9-35 10 0,2/10П10 0,5/10П10 0,2/5П20 0,5/5П20 0,2/0,5/10П10 0,2/0,5/5П20 0,2/10П10/5П20 0,5/10П10/5П20 15/20 20/20 15/20 20/20 15/20/20 15/20/20 15/20/20 20/20/20 1,5/1 3.75
20 2/1 5
30 3/1 7.5
40 4/1 10
50 5/1 12.5
75 7,5/1 18.75
100 10/1 25
150 15/1 37.5
200 20/1 50
300 31,5/1 80
400 31,5/2 80
500 31,5/2 80
600 31,5/2 80
800 31,5/3 80
1000 31,5/3 80
1200 31,5/3 80
1500 31,5/3 80
2000 31,5/3 80

Wound Type 5p10 5p20 Ct 100 150 400 5a

Часто задаваемые вопросы о продукте:

Вопрос: Что означает «тип раны 5П10» или «5П20» при типе раны 5р10 5р20 кт 100 150 400 5а?

О: Термин «тип с обмоткой» относится к трансформаторам тока, в которых первичным проводником является намотанная обмотка, а не шина или шина, проходящая через сердечник. Класс 5П10 или 5П20 указывает на точность защиты: 5П означает погрешность до 5% при номинальном вторичном токе, а цифра 10 или 20 — максимально допустимое кратковременное кратное номинальному первичному току без превышения заданной погрешности.

Вопрос: Как выбрать правильный номинал трансформатора тока для моей системы?

О: Выбирайте трансформатор тока с учетом максимального тока нагрузки вашей системы и требований защиты. Например, трансформатор тока 100/5 А подходит для цепей с типичным током около 100 А, а трансформатор тока 400/5 А предназначен для фидеров с более высоким током. Выберите класс защиты (5P10 или 5P20) в соответствии с чувствительностью реле к обнаружению неисправностей и ожидаемым током короткого замыкания.

Вопрос: В каких условиях окружающей среды может работать рана типа 5p10 5p20 ct 100 150 400 5a?

A: Эти трансформаторы тока с обмоткой обычно рассчитаны на температуру окружающей среды от –10 °C до +40 °C и максимальную высоту над уровнем моря 1000 м. Материалы корпуса и системы изоляции разработаны с учетом защиты от влаги, пыли и загрязнений, что обеспечивает надежную защиту в промышленных и коммунальных условиях.




Горячие Теги: Тип обмотки 5p10 5p20 Ct 100 150 400 5a, Поставщик трансформаторов тока, Измерительные трансформаторы оптом
Отправить запрос
Контакты
  • Адрес

    № 391, Jingqi Road, промышленная зона Янпань, город Юэцин, провинция Чжэцзян, Китай

  • Электронная почта

    info@xifaele.com

Чтобы получить ваше предложение как можно скорее

XiFa-ваш надежный поставщик электрооборудования
X
Мы используем файлы cookie, чтобы предложить вам лучший опыт просмотра, анализировать трафик сайта и персонализировать контент. Используя этот сайт, вы соглашаетесь на использование нами файлов cookie. политика конфиденциальности
Отклонять Принимать